欢迎光临东莞市全普电气科技有限公司网站!
东莞市全普电气科技有限公司 专用通用变频器制造商
15年专注变频器研发和制造 致力于为您打造品质卓越的变频器产品
阿里巴巴商铺

全国服务热线

18929297458
135 10025 117
  • 5000E永磁变频器,永磁同步电机驱动器,永磁同步变频器
  • 5000E永磁变频器,永磁同步电机驱动器,永磁同步变频器
  • 5000E永磁变频器,永磁同步电机驱动器,永磁同步变频器
5000E永磁变频器,永磁同步电机驱动器,永磁同步变频器
18929297458
一、产品介绍:
    MC5000E系列是我司针对永磁同步电机应用场合开发出的一系列永磁同步电机驱动器,具有静音、节能、低转数高扭矩等特点;具有良好的动态特性、超强的过载能力。CPU采用DSP高速数字处理器,采用国际品牌功率器件,精心设计,采用成熟的国际工艺流程生产,使其具备高可靠性。先进完善的软件控制算法,成熟的电路拓扑设计,严谨的生产制造工艺,铸就公司MC5000E永磁同步电机驱动器系列产品的国产高品质;
    适用场合:永磁水泵、风机、高速主轴电机、空调压缩机、池塘增氧机、道闸电机等各种永磁同步电机高效节能使用场合。
二、产品特点
1. 丰富的控制方式,除常用的V/F 控制外,还支持无速度传感器矢量控制、有速度传感器矢量控制、V/F 分离控制等;
2. DI1、DI2多功能输入端子可设置多种启停方式:二线式A、B模式,三线式A、B模式。
3.支持多段速,可选择DI1-DI7其中4个输入端子组合成16个速度。
4.多种速度控制方式:模拟量输入0-5VDC,0-10VDC,0/4-20mA;面板电位器调速(更改参数可设置上下按键调速);外接电位器调速;可通过485通讯调速。
5.多种启动控制方式:面板控制启停;外部端子控制启停;485通讯控制启停;
6.综合第2和第3点,可通过PLC控制变频器启停、控制变频器的速度快慢,实时读取变频器的运行频率、母线电压、输出电压、输出电流、输出功率、输出转矩等。
7. 多功能继电器输出,实现运转中、频率到达、外部异常等各种状态时继电器输出
8. 提供多达50种的故障保护功能 。能在各种异常使用情况下,快速可靠的自动停止输出,从而保护电机或变频器自身过电流可能导致的损坏。
9、针对特殊或专用机器设备可以定制开发专用变频器;如:恒压供水专用、注塑机专用等;

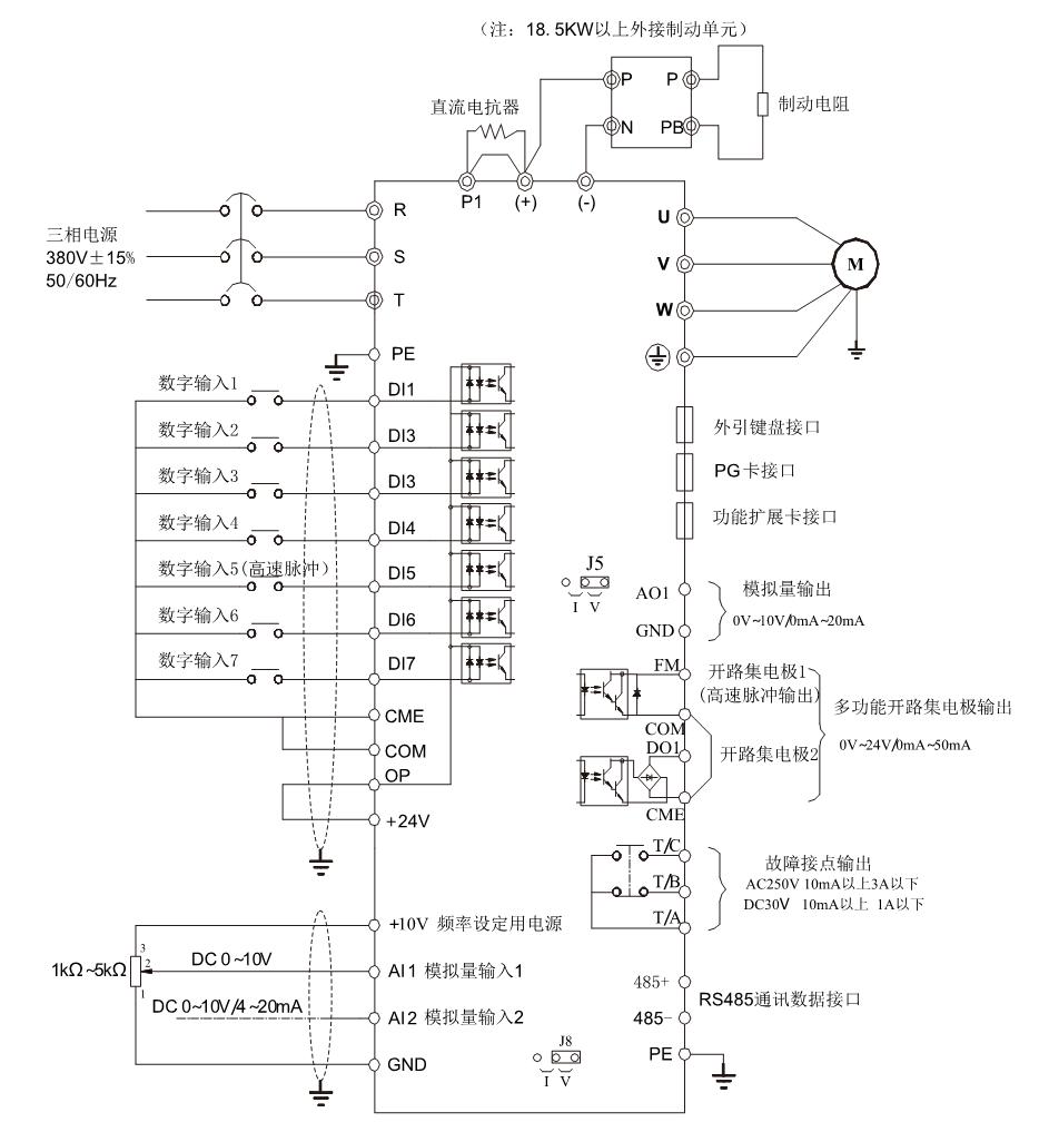
三、产品配线图
Baidu
map