欢迎光临东莞市全普电气科技有限公司网站!
东莞市全普电气科技有限公司 专用通用变频器制造商
15年专注变频器研发和制造 致力于为您打造品质卓越的变频器产品
阿里巴巴商铺

全国服务热线

18929297458
135 10025 117
  • 线切割变频器,线切割变频器厂家,线切割专用变频器
  • 线切割变频器,线切割变频器厂家,线切割专用变频器
  • 线切割变频器,线切割变频器厂家,线切割专用变频器
  • 线切割变频器,线切割变频器厂家,线切割专用变频器
线切割变频器,线切割变频器厂家,线切割专用变频器
18929297458
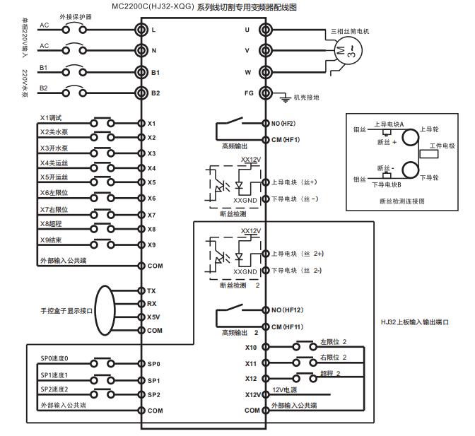
一、产品介绍
    MC2200C /HJ32、MC3300/HJ33 线切割专用变频器是我司针对线切割机床市场推出的一系列专用变频器,集成了传统通用变频器功能+PLC(单片机控制)功能+外置手控盒功能;使用我司MC2200C/HJ32、MC3300/HJ33 系列线切割专用变频器只需将外部信号直接接入相对应端口即可实现所有控制,与通用变频器相比省去众多不必要的参数设置,安装接线使用更简单方便。
    MC 线切割专用变频器分内置显示与外置显示手控盒两种显示操控方式。用户可以根据机床使用需求配置不同的显示控制类型。
二、产品特点
1、输入电压:220V  输出电压:0-额定电压输出频率:0-85HZ
2、支持485通讯,波特率19200bps,2路多功能继电器信号输出 ,13路外部隔离数字信号输入
3、VF控制(SVPWM),可任意设定VF曲线过载能力强
4、运转超时自动停机;断丝自动停机;行程开关坏,运丝电机运转超时自动停机过流、过压、欠压、过温、缺相、过载等保护功能
5、变频器使用时间自动记忆功能;外置手控盒与内置面板,任意切换或同时使用;内置蜂鸣器自动报警功能,抗干扰能力强,运行稳定可靠

三、产品尺寸

四、产品配线图

Baidu
map