欢迎光临东莞市全普电气科技有限公司网站!
东莞市全普电气科技有限公司 专用通用变频器制造商
15年专注变频器研发和制造 致力于为您打造品质卓越的变频器产品
阿里巴巴商铺

全国服务热线

18929297458
135 10025 117
  • 5800S裸机变频器,裸板变频器,变频器厂家,变频器价格,变频调速器,电机变频器
  • 5800S裸机变频器,裸板变频器,变频器厂家,变频器价格,变频调速器,电机变频器
  • 5800S裸机变频器,裸板变频器,变频器厂家,变频器价格,变频调速器,电机变频器
5800S裸机变频器,裸板变频器,变频器厂家,变频器价格,变频调速器,电机变频器
18929297458
一、产品介绍:
    5800S系列变频器是一款高性能矢量变频器,适用于通用异步电机使用场合。在SVC无速度传感器矢量模式下,适用重载低速大扭拒使用场合,如:搅拌机、空压机、提升机等设备;在普通V/F控制模式下,可适用于普通负荷或轻负载等场合,如:风机、水泵、纺织机械等使用场合;也适用400HZ、1000HZ等高速雕刻机主轴使用场合。
二、产品特点
1. 丰富的控制方式,除常用的V/F 控制外,还支持无速度传感器矢量控制、有速度传感器矢量控制、V/F 分离控制等;
2. DI1、DI2多功能输入端子可设置多种启停方式:二线式A、B模式,三线式A、B模式。
3.支持多段速,可选择DI1-DI7其中4个输入端子组合成16个速度。
4.多种速度控制方式:模拟量输入0-5VDC,0-10VDC,0/4-20mA;面板电位器调速(更改参数可设置上下按键调速);外接电位器调速;可通过485通讯调速。
5.多种启动控制方式:面板控制启停;外部端子控制启停;485通讯控制启停;
6.综合第2和第3点,可通过PLC控制变频器启停、控制变频器的速度快慢,实时读取变频器的运行频率、母线电压、输出电压、输出电流、输出功率、输出转矩等。
7. 多功能继电器输出,实现运转中、频率到达、外部异常等各种状态时继电器输出
8. 提供多达50种的故障保护功能 。能在各种异常使用情况下,快速可靠的自动停止输出,从而保护电机或变频器自身过电流可能导致的损坏。
9、针对特殊或专用机器设备可以定制开发专用变频器;如:恒压供水专用、注塑机专用等;

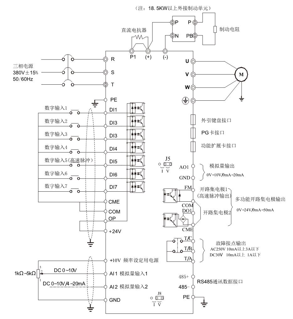
三、产品配线图
Baidu
map