欢迎光临东莞市全普电气科技有限公司网站!
东莞市全普电气科技有限公司 专用通用变频器制造商
15年专注变频器研发和制造 致力于为您打造品质卓越的变频器产品
阿里巴巴商铺

全国服务热线

18929297458
135 10025 117
  • 3000M单相供水变频器,220V恒压供水变频器,背负式水泵变频器
  • 3000M单相供水变频器,220V恒压供水变频器,背负式水泵变频器
  • 3000M单相供水变频器,220V恒压供水变频器,背负式水泵变频器
3000M单相供水变频器,220V恒压供水变频器,背负式水泵变频器
18929297458
一、产品介绍
    DFL3000M背负式恒压供水变频器,适用于单相水泵压供水用(单电容水泵,免拆电容,双电容不可用),恒压供水变频器一体机,体积小,安装方便,内置PID功能,全自动运行,设置简单,出厂默认值即可工作。
二、产品特点
1.输入电源: 单相220V(160V-250V);输出:单相0-220V(单电容电机使用,免拆电容);
2.专用电机控制IC,电压矢量控制,纯正的SVPWM输出;
3.IPM模块为功率驱动核心部件,内置过流、短路、过温等多种可靠保护;
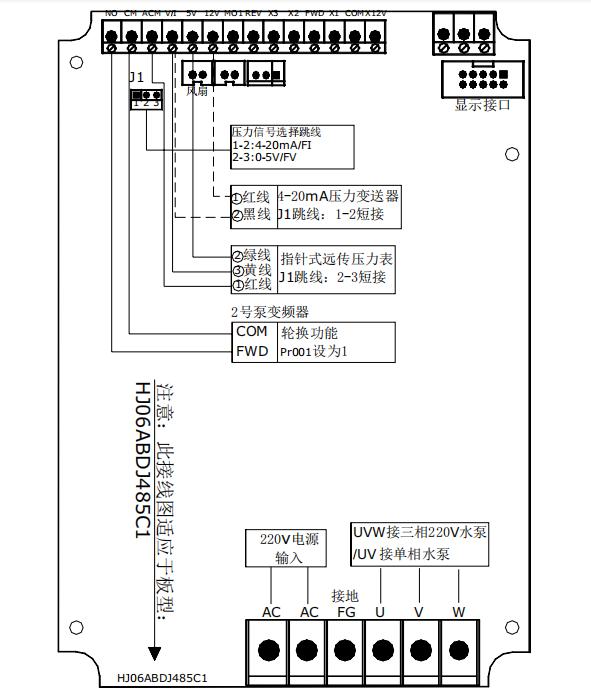
4.调节压力范围:0-10.0公斤(1.0Mpa);
5.适应多种压力表接口,无需外置电源;
  a、0-5V指针式远传压力表(传输距离<10米);
  b、4-20mA数显远传压力表(传输距离<500米);
6.自带内部PID功能,无需外置恒压控制器;
7.设定压力与实际反馈压力实时显示;前两位数码管为设定压力,后两位数码管为实际压力;
8.保护功能齐全:暴管/压力过低,超高压力时变频器自动停机,缺水保护延时自动重启,停电之后自动启动无需重新设置参数;
9.参数设定方便、简单、易懂,可直接恢复出厂默认值,即可投入工作;
10.带可插拔端口,安装简单,维护放便;
11.可配套指针式远传压力表,标准配线长度为5米;
12.参数设置错误后,可以一键恢复出厂参数,
13.最快捷的目标压力调整方式:直接按上下键调整,按保存键生效

三、产品接线图
Baidu
map